Volkswagen Tiguan Service and Repair Manual: Transmission Housing and Clutch Housing
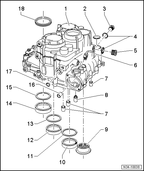
Overview - Transmission Housing

- Transmission Housing
- When replacing: adjust the output shafts and differential.
- Changes near the mount area for the cover/input shaft.
- Allocate component according to the Parts Catalog
- Cap
- Oil Drain Plug
- Tightening specification.
- Seal
- if present, replace after removing
- Oil Filler Plug
- Tightening specification.
- Locking Elbow
- Adjusting the gearshift mechanism.
- Can be replaced with transmission not disassembled
- Removing
- Installation position.
- Installing.
- Bearing Bushing
- For the selector rods
- Removing.
- Installing.
- Retaining Sleeve
- Removing when the transmission is disassembled.
- Removing when the transmission is not disassembled.
- Different retaining sleeves.
- Installing a retaining sleeve with a shoulder.
- Installing the retaining sleeve without a shoulder.
- Needle Sleeve
- For the reverse shaft
- Replace after removing
- Removing.
- Installing.
- Outer Race/Tapered Roller Bearing
- Output Shaft, 5th, 6th and Reverse Gears
- Removing and installing.
- When replacing: adjust output shaft for 5th/6th and reverse gear.
- Shim
- Output Shaft, 5th/6th and Reverse Gears
- Adjustment overview.
- Outer Race/Tapered Roller Bearing
- Output Shaft, 1st to 4th Gears
- Removing and installing.
- Adjust, if output shaft for 1st to 4th gear is replaced.
- Shim
- Output Shaft, 1st to 4th Gears
- Adjustment overview.
- Outer Race/Tapered Roller Bearing
- For the differential
- Removing and installing.
- When replacing: adjust the differential.
- Shim
- For the differential
- Adjustment overview.
- Bearing Bushing
- For the selector shaft
- Removing.
- Installing.
- Plugs
- Seal
- For the left flange shaft
- Replace after removing.
Overview - Clutch Housing

- Bearing Bushing
- For the selector rods
- Replace after removing
- Removing.
- Installing.
- Needle Sleeve
- For the reverse shaft
- Replace after removing
- Removing.
- Installing.
- Alignment Sleeve
- Clutch Housing
- When replacing: adjust the output shafts and differential.
- Cap
- Not on all clutch housings
- Input Shaft Seal
- Seal
- Replace after removing
- FWD - for the right flange shaft
- FWD.
- FWD with front axle differential lock between the manual
transmission and the front axle differential lock.
- AWD - between the manual transmission and bevel box
- AWD.
- Washer
- Installed position: the shoulder on the inner diameter faces the
seal -item 7-
- Outer Race/Tapered Roller Bearing
- For the differential
- FWD, removing and installing.
- FWD with Front Axle Differential Lock, Removing and installing.
- AWD, removing and installing.
- When replacing: adjust the differential.
- Oil Deflector Ring
- Installed position: shoulder at hole points toward output shaft
- Outer Race/Tapered Roller Bearing
- Output Shaft, 1st to 4th Gears
- Removing and installing.
- Adjust, if output shaft for 1st to 4th gear is replaced.
- Outer Race/Tapered Roller Bearing
- Output Shaft, 5th, 6th and Reverse Gears
- Removing and installing.
- When replacing: adjust output shaft for 5th/6th and reverse gears.
- Washer
- Output Shaft, 5th/6th and Reverse Gears
- Always 0.65 mm thick
- Cylindrical Roller Bearing
- For the input shaft
- Removing and installing.
- Magnet
- Held in place by housing joint surface
Transmission Housing, Servicing
Special tools and workshop equipment required
- Bearing Driver - Multiple Use -VW244B-
- Transmission Support -VW353-
- Press Plate -VW401-
- Press Plate -VW402-
- Press Piece - Rod -VW407-
- Press Piece - 37mm -VW416B-
- Guide Pin -VW436A-
- Press Piece - Guide Pin -VW439-
- Slide Hammer Set -VW771-
- Crankshaft Holding Fixture -VW801-
- Guide Pins -10-15-
- Press Piece - Pivot Mount Bushing -3124-
- Bearing Installer - Crankshaft Pilot Bearing -3264-
- Subframe Support Tool -3290-
- Torque Wrench 1331 5-50Nm -VAG1331-
- Bushing Driver - Selector Shaft -T10168-
- Locking Sleeve Drift -T10169- or Locking Sleeve Drift -T10362-.
- Breather Tube Tool -T10203-
- -1-Puller - Kukko Internal - 14-19mm -21/2-
- -1-Puller - Kukko Internal - 20-30mm -21/4-
- -4-Puller - Kukko Counterstay -22/2-
- Thread adaptor from Puller - Kukko Counterstay -22/1-
Removing the Cover -A-
- Pierce the rubber in the center of the cover with a screwdriver -B- and
pry it out of the cover in direction of -arrow-.

Installing the Cover

Removing the Locking Elbow for the Gearshift Shaft
- Break off the bracket in its unlocked position.
- Insert a screwdriver -A- into the hole in the locking bracket -B-.
- Pry out the locking elbow in direction of -arrow-.

Installed Position: Locking Elbow
- The mark on the locking elbow -arrow- must point toward the connection
on the clutch slave cylinder -1-.
- Dimension -a- must be approximately 45º.

Drive Lock Elbow -arrow- for Selector Shaft in up to Tool Stop.
Note
The locking elbow must be unlocked when being installed.

Removing the Shift Rod Bearing Bushing
- 14.5 to 18.5 mm Internal Puller -21/2-, for example.
- Puller - Kukko Counterstay -Kukko 22/2-, for example.

Installing the Shift Rod Bearing Bushing All the Way onto the Tool

Removing the Retaining Sleeve -A- from the Transmission Housing
- Place transmission housing on Press Plate -VW401- and press plate
-VW402- in such a way so that the alignment sleeves inside the transmission
housing do not get damaged.

Removing the Retaining Sleeve on a Transmission Not Disassembled Using the
Guide Pins -10-15-.
- Locking bolt and selector shaft removed.
- Turn the transmission so that the retaining sleeve cannot fall into the
transmission.

Lock Sleeve Differentiation
The following lock sleeves may be installed:
Lock sleeve with a shoulder -arrow 1-.
Lock sleeve without a shoulder -arrow 2-.
Allocate the components. Refer to the Parts Catalog.

Drive in Lock Sleeve with Shoulder as Far as Stop on Tool
- The transmission housing is bolted to the clutch housing.

Drive in Lock Sleeve without Shoulder as Far as Stop on Tool
- The transmission housing is bolted to the clutch housing.

Removing the Reverse Shaft Needle Sleeve from the Transmission Housing
- Puller - Kukko Internal - 20-30mm -21/4-, for example.
- Puller - Kukko Counterstay -22/2-, example.

Note
The needle sleeve will get damaged when it is removed and must be replaced.
Installing the Needle Sleeve -A- into the Transmission Housing
- Lay the reverse shaft thrust washer -B- on the needle sleeve while
pressing it in.
- Support the transmission housing with the Press Piece - 37mm -VW416B-
directly under the bearing mount.

Removing the Selector Shaft Bearing Bushing
- Use the thread adapter from Puller - Kukko Counterstay -22/1--arrow-.
- Hold the spindle on the Subframe Support Tool -3290- steady and turn the
nut -B-.
- Puller - Kukko Internal - 14-19mm -21/2-, for example.

Installing the Gearshift Shaft Bearing Bushing -A- All the Way Onto the
Tool

Removing the Plug -1-
- Remove the plug -1- from the inside of the transmission housing to the
outside.

Installing the Plug -1-
- Using the Bearing Installer - Crankshaft Pilot Bearing -3264-, drive in
the sealing plugs to dimension -a- approximately 3 mm below the upper edge
of the housing.

Clutch Housing, Servicing
Special tools and workshop equipment required
- Press Piece - Rod -VW407-
- Bushing Driver - Selector Shaft -T10168-
- Seal Installer - Drive Axle -T40008-
- -1-Puller - Kukko Internal - 14-19mm -21/2-
- -1-Puller - Kukko Internal - 20-30mm -21/4-
- -4-Puller - Kukko Counterstay -22/1-
- -4-Puller - Kukko Counterstay -22/2-
Removing the Shift Rod Bearing Bushing
- Puller - Kukko Counterstay -22/1-, for example.
- Puller - Kukko Internal - 14-19mm, for example.

Installing the Shift Rod Bearing Bushing All the Way onto the Tool

Removing the Needle Sleeve from the Clutch Housing
- Puller - Kukko Counterstay -22/2-, for example.
- Puller - Kukko Internal - 20-30mm -21/4-, for example.

Note
The needle sleeve will get damaged when it is removed and must be replaced.
Installing the Needle Sleeve -A- into the Clutch Housing
- Lay the reverse shaft thrust washer -B- on the needle sleeve while
pressing it in.

Schematic Overview - Transmission
Schematic Overview - Transmission, FWD
Clutch Housing
Reverse Shaft
5th, 6th and Reverse Gear Output Shaft
Clutch Slave Cylinder with Release Bearing
Input Sh ...
Special tools and workshop equipment required
Bearing Driver - Multiple Use -VW244B-
Transmission Support -VW353-
Press Plate -VW401-
Press Plate -VW402-
Press Piece - Rod -VW407-
Press Piece ...
See More:
Volkswagen Tiguan Service and Repair Manual > Communication: CD Changer
CD Changer, Removing and Installing
General Information
Note
The CD changer is not faulty if the CD changer plays commercially
available CDs, but not self-burned CDs. Do not replace the CD changer for
this reason.
Mix CDs (CDs that contain computer data and also music) cannot be
played.
Mu ...