Volkswagen Tiguan Service and Repair Manual: Rear Seat Covers and Cushions
Tools
Special tools and workshop equipment required
- Torque Wrench 1783 - 2-10Nm -VAG1783-

- Torque Wrench 1331 5-50Nm -VAG1331-

- Upholstery Clip Pliers -VAG1634-

Bench Seat Cover and Cushion, Removing and Installing
Note
The procedure describes removing and installing the left segment of the rear
bench seat. Removing and Installing the right segment is the same.
Removing
- Slide the left rear bench seat all the way forward.
- Fold the backrest forward.
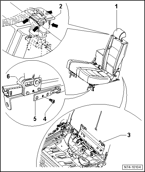
- Remove the bolt -1- (6 Nm) and release the
spring -2- from the gliding piece
-3-.
Caution
The backrest must be folded forward when loosening from the spring
-2-. This position releases the tension from the
spring.
- Fold the backrest toward the rear once again.
- Detach all cover profiles -4- from the seat
frame under the bench seat.

- Remove the cover -1- with the cushion
-3- from the seat frame.
- Fold the cover all around over the padding.
- Remove all upholstery clips -2- and remove
the cover from the padding.
Note
The upholstery clips -2- are destroyed during
removal. They must be replaced when installing. Use the Upholstery Clip Pliers
-VAG1634- to do so.

Installing
- Install in reverse order of removal.
Backrest Cover and Cushion, Removing and Installing
Note
Removal and installation is described for the left backrest. Removing and
Installing the right backrest is the same.
Removing
- Remove the left rear bench seat. The right rear bench seat can remain in
the vehicle when removing the padding from the right backrest.
- Fold the backrest forward.
Vehicles with Variable Luggage Compartment Floor
- Remove the luggage compartment floor from the vehicle.
Caution
The trim -3- is tightened with two springs when
installed. When removing the padding, have a second technician press it back.
All Vehicles
- Remove the bolt -4- (6 Nm) and release the
spring -5- from the gliding piece
-6-.
Caution
The backrest must be folded forward when loosening from the spring
-5-. This position releases the tension from the
spring.
- Fold the backrest toward the rear once again.
- Press the locking mechanisms -arrows- and
release belt extraction panel -2- from mounts.
Note
Belt extraction panel -2- has a one-time locking
mechanism and therefore must be replaced when installing.

- Remove the bolt -7- (40 Nm) and remove the
belt anchor -6- from the seat.
- Pull the seat belt forward and remove.
Note
When installing the belt anchor may not be guided through the LATCH mounting
eye.
- Remove the cover profiles -3- and
-4- all around from the mounts
-5- in the backrest frame.
- Fold the cover -1- up on the sides.
- Remove all the upholstery clips -8-.
Note
The upholstery clips -8- are destroyed during
removal. They must be replaced when installing. Use the Upholstery Clip Pliers
-VAG1634- to do so.
- Remove the cover -1- and cushion
-2- from the backrest frame.

Installing
- Install in reverse order of removal.
- Check the function of the backrest lock.
Pass-Through Unit with Center Armrest, Removing and Installing
Removing
- Move the left rear bench seat all the way forward.
- Press corresponding button in headrest guide and pull headrest
-3- out of the pass-through unit.
- Remove the bolt -1- (20 Nm).
- Fold the armrest -2-, as shown in the
illustration (approximately 50º), forward -arrow A-.
- Pull the armrest up and out of the mount in the backrest
-arrow B-.
Note
The armrest -2- can be removed or installed in
the shown position.

Installing
- Install in reverse order of removal.
Cover and Cushion, Removing and Installing, Pass-Through Unit with
Center Armrest
Removing
- Remove the upholstered lid -7- from the
armrest.
- Remove the two caps -8- with a small
screwdriver.
- Remove the two bolts -9- (2.5 Nm).
- Pull the storage compartment -6- upward and
out of the mounts in the armrest.
Note
When installing, the release loop -5- must be
routed through the compartment -6-.
- On the back side, remove all the cover profiles
-arrows- from the mounts in the armrest frame
-2-.
- Remove the cover -4- and the cushion
-3- from the armrest frame.
- Fold the cover away from the cushion.

Installing
- Install in reverse order of removal.
Special Tools
Special tools and workshop equipment required

- Engine and transmission holder -VAS6095-

- Fixture for seat repair -VAS6136-

- Upholstery clip pliers -VAG1634-




Edition 04/06/2015 - K0059110821 - FU/RF - JY
Tools
Special tools and workshop equipment required
Door Trim Pliers -3392-
Engine and Gearbox Bracket VAS6095A -VAS6095A-
Engine/Transmission Holder - Seat Repair Fixture -VAS6136-
Upho ...
See More:
Volkswagen Tiguan Service and Repair Manual > Body front: Lock Carrier
Tools
Required Special Tools and Equipment
Special tools and workshop equipment required
Guide Pins -T10093
Torque Wrench 1331 5-50Nm -VAG1331-
Torque Wrench 1332 40-200Nm -VAG1332
Overview - Lock Carrier
Lock Carrier with Attachments
Removing and installing
Service position
Screw
...